Táirgí
BAILE > Táirgí
LMZW9-0.66 Trasfhoirmeoir Reatha
  • LMZW9-0.66 Trasfhoirmeoir ReathaLMZW9-0.66 Trasfhoirmeoir Reatha
  • LMZW9-0.66 Trasfhoirmeoir ReathaLMZW9-0.66 Trasfhoirmeoir Reatha

LMZW9-0.66 Trasfhoirmeoir Reatha

Ceannaigh an Trasfhoirmeoir Reatha LMZW9-0.66 ardchaighdeáin ón monaróir Síneach Comewill. Tá an claochladán seo deartha go sonrach le haghaidh ciorcaid AC 50Hz atá rátáilte ag 0.66kV agus thíos, ag comhlíonadh na gceanglas ríthábhachtach maidir le monatóireacht reatha beacht agus méadrú fuinnimh in earnálacha dáileadh cumhachta tionscail agus tógála. Ag baint úsáide as próiseas réitigh roisín neamhsháithithe, tá struchtúr láidir ag an aonad le friotaíocht taise den scoth agus cobhsaíocht theirmeach, ag laghdú costais chothabhála go héifeachtach ar feadh a shaolré ar fad.
Mar mhonaróir gairmiúil trealaimh chumhachta sa tSín, cloíonn Comewill go docht le caighdeán IEC 61869, ag cinntiú feidhmíocht chobhsaí agus iontaofa an Trasfhoirmeora Reatha LMZW9-0.66. Déanann a dhearadh gléas seasta sreangú ar an láthair a shimpliú, rud a ligeann do chomhtháthú gan uaim isteach i gcórais éagsúla dáilte cumhachta ísealvoltais - cibé acu le haghaidh uasghrádú nó tionscadail tógála nua.

Paraiméadar Teicniúil de chlaochladán reatha LMZW-0.66:

Minicíocht Rátáilte 50/60Hz
Voltas rátáilte 0.6kV nó 0.66 kV
Voltas is airde le haghaidh trealaimh 0.72kV
Minicíocht cumhachta sheasamh voltas 3kV
Tagann caighdeán teicniúil le IEC60044-1:2003 nó IEEE STD C57.13-2008
Cineál Príomhsruth rátáilte(A) Aschur rátáilte VA(cosФ=0.8lag)
0.2S 0.2 0.5S 0.5 1
LMZ-0.66 75-100 10-3.75 10-3.75 10-3.75 10-3.7510-3.75 10-3.75
LMZ-0.66 150-300 10-3.75 10-3.75 10-3.75 10-3.75 10-3.75
LMZ-0.66 400-750 10-3.75 10-3.75 10-3.75 10-3.75 10-3.75
LMZ-0.66 1000-1500 10-3.75 10-3.75 10-3.75 10-3.75 10-3.75


Gnéithe Táirge

1. Feidhmíocht Cobhsaí

Comhlíonann Trasfhoirmeoir Reatha LMZW9-0.66 mhonarcha Comewill caighdeáin IEC 61869, IEC60044-1, agus IEEE C57.13

Tomhas cruinn srutha thar raon leathan sruthanna príomhúla (75–1500A)

Cinntíonn aschur rátáilte 10–3.75 VA (cosφ=0.8 Readonly) comhartha comhsheasmhach maidir le méadrú agus cosaint


2. Seasta-Mount Dearadh Dhíon

Simplítear sreangú agus comhtháthú isteach i lascthrealamh agus i bpainéil ísealvoltais

Laghdaíonn sé earráidí suiteála agus riachtanais chothabhála

Uasmhéadaíonn dearadh dlúth úsáid spáis painéil


3. Raon Oibriúcháin Leathan

Teocht oibriúcháin: -25 ℃ go +55 ℃

Taise choibhneasta: ≤90%, gan aon chomhdhlúthú

Airde: ≤1000 méadar os cionn leibhéal na farraige

Timpeallachtaí faoi dhíon atá saor ó thruailliú, saor ó dheannach agus saor ó ghás creimneach


4. Ard-Shábháilteacht & Comhlíonadh

Minicíocht cumhachta sheasamh voltas: 3kV

Voltas rátáilte: 0.6–0.66kV, le voltas uasta trealaimh 0.72kV

Deartha le haghaidh oibriú sábháilte fadtéarmach i líonraí dáileacháin ísealvoltais


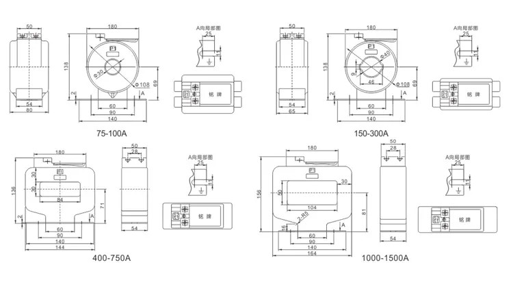
Imlíne & Toisí Suiteála

Fáilte (Wenzhou) Electric Co., Ltd


CCanna


C1: An cuideachta mhonarcha nó trádála tú?

A1: Is monarcha muid, rud a ligeann dúinn praghsanna an-iomaíoch a thairiscint go díreach.


C2: Cad é do phróiseas rialaithe cáilíochta?

A2: Cinnteoimid go ndéantar iniúchadh 100% ar gach táirge roimh an loingsiú.


C3: Cathain is féidir liom a bheith ag súil le ceanglófar praghais a fháil?

A3: De ghnáth soláthraímid ceanglófar laistigh de 24 uair an chloig tar éis dúinn d'fhiosrúchán a fháil.


C4: Conas is féidir liom sampla a fháil?

A4: Is féidir leat sampla a cheannach, lena n-áireofar an costas samplach agus na táillí loingseoireachta. Braitheann an muirear seachadta sainráite ar chainníocht agus ar mheáchan na samplaí.


C5: Cad iad na costais loingseoireachta?

A5: Athraíonn costais loingseoireachta ag brath ar an gcalafort cinn scríbe.


Hot Tags: LMZW9-0.66 Trasfhoirmeoir Reatha, An tSín, Monaróir, Soláthraí, Monarcha, Mórdhíol, Saincheaptha, i Stoc, Déanta sa tSín, Praghas Íseal, Cáilíocht
Seol Fiosrúchán
Eolas teagmhála
  • Seoladh

    Uimh.777 Bóthar Wanweng, Fo-dhúiche Wengyang, Cathair Yueqing, Cathair Wenzhou, Cúige Zhejiang, an tSín

Seol fiosrúchán chuig Comewill maidir le lascthrealamh, scoradáin chiorcaid folúis, claochladán reatha. Faigh Sleachta saincheaptha, praghsanna íseal nó tacaíocht shaineolach ónár bhfoireann mhonarcha tSín.
X
Úsáidimid fianáin chun eispéireas brabhsála níos fearr a thairiscint duit, chun anailís a dhéanamh ar thrácht an tsuímh agus chun inneachar a phearsantú. Trí úsáid a bhaint as an suíomh seo, aontaíonn tú lenár n-úsáid a bhaint as fianáin. Beartas Príobháideachta
Diúltaigh Glac