Táirgí
BAILE > Táirgí
LMZJ1-0.5 Trasfhoirmeoir Reatha
  • LMZJ1-0.5 Trasfhoirmeoir ReathaLMZJ1-0.5 Trasfhoirmeoir Reatha
  • LMZJ1-0.5 Trasfhoirmeoir ReathaLMZJ1-0.5 Trasfhoirmeoir Reatha
  • LMZJ1-0.5 Trasfhoirmeoir ReathaLMZJ1-0.5 Trasfhoirmeoir Reatha

LMZJ1-0.5 Trasfhoirmeoir Reatha

LMZJ1-0.5 Is gléas busbar trí chineál é Transformer Reatha atá deartha go sonrach le haghaidh ciorcaid AC faoi dhíon, arna dtáirgeadh ag Comewill, monaróir gairmiúil sa tSín. Tá an táirge seo deartha go sonrach le haghaidh córais le voltas rátáil ≤ 0.5kV agus minicíocht 50Hz. Is é an croí-chomhpháirt é maidir le tomhas reatha, méadrú fuinnimh, agus cosaint sealaíochta i bhfeistí cumhachta ísealvoltais, agus tá sé an-oiriúnach do sholáthar mórchóir i dtionscadail thionsclaíocha agus tráchtála.

Mar an monaróir gairmiúil sa tSín, ba mhaith le Comewill Claochladán Reatha LMZJ1-0.5 saincheaptha a sholáthar duit, atá scagtha ag baint úsáide as teicneolaíocht réitigh inslithe roisín agus a ghlacann modh suiteála bonnphláta seasta. Le cobhsaíocht oibríochta níos fearr agus marthanacht fhadtéarmach, sábhálann sé costais chothabhála do chomhpháirtithe soláthair ón bhfréamh. Soláthraíonn sé il-roghanna fearas ardchruinneas de 0.2, 0.5, 0.2s, agus 0.5s, a chlúdaíonn go héasca riachtanais iarratais difreáilte i gcásanna éagsúla.

Déanann an dearadh struchtúrach dlúth suiteáil agus imscaradh níos solúbtha, agus mar gheall ar thacaíocht dhúbailte na cumraíochta sábháilteachta ardleibhéil agus an saol seirbhíse ultra-fhada, is rogha iontaofa é LMZJ1-0.5 Current Transformer i soláthar córas nua-aimseartha ísealvoltais. Is fiú a lua go bhfuil friotaíocht ardteochta agus friotaíocht truaillithe den scoth ag an gclaochladán íseal-voltais seo, agus is féidir leis oibriú cobhsaí a choinneáil fiú i dtimpeallachtaí crua, ag uasmhéadú luach gach infheistíochta soláthair.

Struchtúr Táirge

Is croí iarainn ciorclach é croílár LMZJ1-0.5 Reatha Trasfhoirmeoir déanta as leatháin chruaiche sileacain dhírithe fuar-rollta - is é an dearadh foirceannadh cruinneas seo an eochair chun an éifeachtúlacht mhaighnéadach a uasmhéadú agus an bunús a leagan síos le haghaidh oibriú iontaofa.
Tá an foirceannadh tánaisteach fillte go cothrom timpeall an chroí iarainn ciorclach seo, atá ina shocrú deartha go cúramach a chinntíonn feidhmíocht chomhsheasmhach faoi gach coinníoll oibriúcháin agus deireadh a chur le saincheisteanna aschuir míchothrom.
Ritheann an fhuinneog lárnach trí lár an táirge agus tá sé deartha chun barraí bus a chomhtháthú gan uaim, agus soláthraíonn an bonn sturdy ag an mbun pointe suiteála níos sábháilte agus níos cobhsaí don táirge, rud a fhágann go bhfuil sé éasca é a shuiteáil.
Déantar an comhpháirt iomlán a chaitheamh as ábhar inslithe roisín neamhsháithithe. Ní hamháin go bhfeabhsaíonn an cásáil sturdy seo marthanacht, ach feabhsaíonn sé sábháilteacht agus cosnaíonn sé comhpháirteanna inmheánacha ó bhrú comhshaoil, rud a fhágann go bhfuil an claochladán athléimneach i dtimpeallachtaí oibre éagsúla.

Paraiméadar

Paraiméadar Leictreach Paraiméadar Meicniúla
Minicíocht 50/60Hz Cás PC/UL94-V0
Ionchur Rátáilte 5A- 5000A Bobbin PBT
Raon tomhais 5%I-120%I Croílár Cruach sileacain
Aschur Rátáilte 1A,5A Tógáil Scriú
Voltas Cóimheas 0.72KV (AC) Teocht Oibriúcháin -25 ℃~+75 ℃
Neart tréleictreach 3.0KV/1mA/1nm Taise Oibriúcháin ≤85%
Friotaíocht Inslithe DC500V/100MΩ nóim Ceangal Aschuir Teirminéal
Múnla Bunscoil / Meánscoil Toisí Poll Bus(mm) Ualach Rátáilte (VA) Rang Cruinneas Voltas Rátáilte
LMZJ1-0.5 30 5/5A~300/5A ø=31mm 2.5~5 0.2S 0.5S 0.5 0.72KV(AC)
LMZJ1-0.5 35 5/5A~300/5A ø=35mm 2.5~5 0.2S 0.5S 0.5 0.72KV(AC)
LMZJ1-0.5 40 200/5A~500/5A ø=42mm 5 0.2S 0.5S 0.5 0.72KV(AC)
LMZJ1-0.5 50 400/5A~600/5A ø=56mm 5 0.2S 0.5S 0.5 0.72KV(AC)
LMZJ1-0.5 80 750/5A~1200/5A ø=83mm 10~20 0.2S 0.5S 0.5 0.72KV(AC)
LMZJ1-0.5 100 800/5A~2000/5A ø=102mm 10~30 0.2S 0.5S 0.5 0.72KV(AC)
LMZJ1-0.5 140 2000/5A~4000/5A ø=142mm 15~30 0.2S 0.5S 0.5 0.72KV(AC)
LMZJ1-0.5 180 5000/5A~6000/5A ø=182mm 15~30 0.2S 0.5S 0.5 0.72KV(AC)

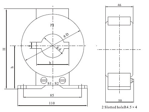
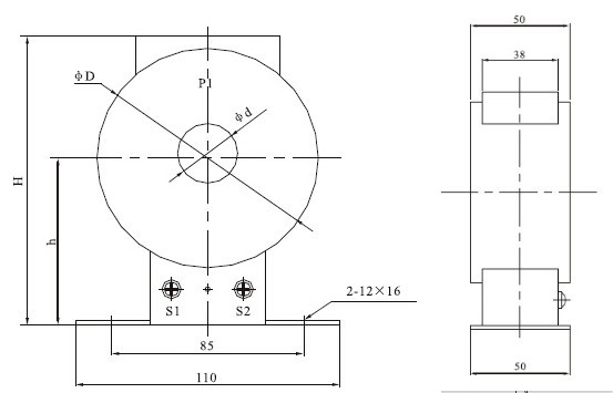
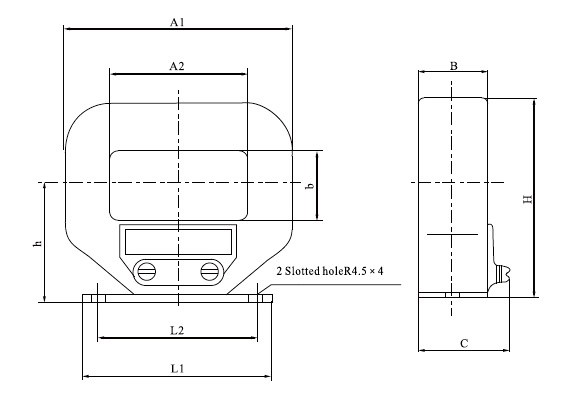
Imlíne agus Toisí Suiteála

Cineál Cóimheas Reatha H h φD φd
LMZ1-0.5 5-300/5 117 68 90 30
Cineál Cóimheas Reatha H h φD φd a b
LMZJ1-0.5 5-300/5 118 70 91 32 10 41
400-600/5 128 75 97 43 12 52
Cineál Cóimheas Reatha A1 A2 B h H L1 L2 C b
LMZJ1-0.5 1000/51200/51500/5 172 104 30 80 140 156 123 41 50
2000/53000/5 216 140 42 102 182 175 150 46 70
4000/55000/5 238 150 55 117 220 230 180 60 94
Hot Tags: LMZJ1-0.5 Trasfhoirmeoir Reatha, An tSín, Monaróir, Soláthraí, Monarcha, Mórdhíol, Saincheaptha, i Stoc, Déanta sa tSín, Praghas Íseal, Cáilíocht
Seol Fiosrúchán
Eolas teagmhála
  • Seoladh

    Uimh.777 Bóthar Wanweng, Fo-dhúiche Wengyang, Cathair Yueqing, Cathair Wenzhou, Cúige Zhejiang, an tSín

Seol fiosrúchán chuig Comewill maidir le lascthrealamh, scoradáin chiorcaid folúis, claochladán reatha. Faigh Sleachta saincheaptha, praghsanna íseal nó tacaíocht shaineolach ónár bhfoireann mhonarcha tSín.
X
Úsáidimid fianáin chun eispéireas brabhsála níos fearr a thairiscint duit, chun anailís a dhéanamh ar thrácht an tsuímh agus chun inneachar a phearsantú. Trí úsáid a bhaint as an suíomh seo, aontaíonn tú lenár n-úsáid a bhaint as fianáin. Beartas Príobháideachta
Diúltaigh Glac